高压调谐式无源滤波装置
发布日期:2023-07-12 浏览次数:1858
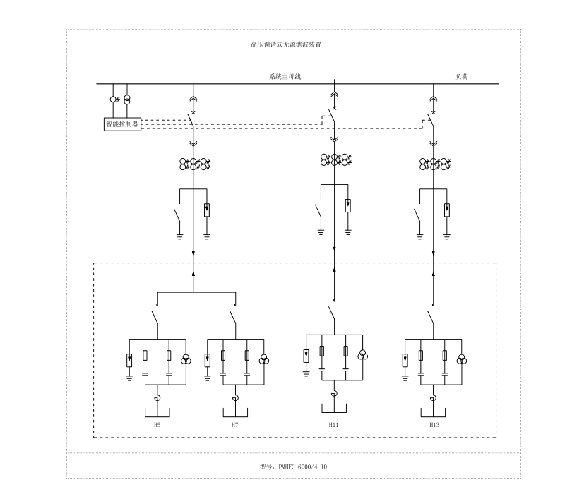
高压调谐式无源滤波装置
高压调谐式无源滤波装置( 6kV, 10kV, 35kV )是根据负荷产生的谐波情况,串联可调谐的空心电抗器形成对某次谐波低阻抗通道,到达滤除谐波的目的,有自动投切和固定投切两种方式。适用于谐波大,负荷相对稳定的场合,如:连轧机、电解电镀、精炼炉、中频炉等,谐波滤除率达90% 以上,功率因数达到0.92以上。
主要技术参数
• 额定电压: 6kV, 10kV, 35kV
• 额的频率: 50HZ 、60HZ
• 电抗器:根据谐波现场调谐
• 滤波布置:敞开式布置和柜架式布置
• 投切方式:高压真空断路器按先投后切规则自动投切
• 晌应时间: 5 ~ 10 分钟
• 滤波效果:谐波滤除率≥90%
• 补偿效果: cosφ≥0.92
• 保护配置:短路、过流、欠压、过压、熔断器保护、不平衡电压等保护
• 参数设定:功率因数、无功功率、投切时间,过电压等可现场设定
• 显示功能对投切状况,功率因数,有功功率,无功功率、系统电压、系统电流,
• 谐波等进行显示通信接口配有RS485 和RS232 接口,现场采集可远程采集。
产品型号及意义
高压调谐式无源滤波装置上图方法:



